

发布时间:2020-06-08 21:23:00 点击:
RTO焚烧炉、RTO专业生产厂家无锡泽川环境2020年6月8日讯 挥发性有机废气未经处理直接排入大气中,会严重影响大气质量,影响动植物生长和人类健康。本文通过对自己公司喷漆房有机废气的治理设计方案,充分阐述了有机废气治理的工艺流程和设备选型配置情况。并对系统工艺原理做了详细描述,同时对该系统的先进性和特点做了归纳,为从事有机废气治理人员提供了较好的设计思路和范本。
0、引言
喷漆废气是大气环境主要污染源之一。由于它的毒性大,对人体健康的危害十分严重,尤其是苯类和多环芳烃,它们侵犯人的神经、呼吸、血液和生育系统,轻则使人头昏、眩晕、恶心,重则导致再生障碍性贫血、白血病、致癌危及生命,故迫切需要治理。
本装置采用最新工艺设计, 即干式过滤+活性炭吸附脱附+催化燃烧方式,在治理VOCs污染中效果十分显著,对环境保护、劳动保护和保护人体健康有良好的实用价值。下面以自己公司喷漆废气的治理设计方案为例展开说明。
1、有机混合气体处理设计指标需求
(1)废气量:30000Nm3/h;
(2)操作温度:常温;
(3)废气输送压力:3000Pa;
(4)处理效率:80%;
(5)入口浓度:≤200mg/m3
(6)出口浓度:≤50mg/m3
2、工艺原理及流程描述
(1)工艺原理:
当气体分子运动到固体表面时,由于气体分子与固体表面分子之间相互作用,使气体分子暂时停留在固体表面,形成气体分子在固体表面浓度增大,这种现象称为气体在固体表面上的吸附。被吸附物质称为吸附质,吸附质的固体物质称为吸附剂。而活性炭吸附法是以活性炭作为吸附剂,把废气中有机物化合物吸附到固相表面进行吸附浓缩,从而达到净化废气的方法。
大风量、低浓度有机废气经过前端初效三级干式过滤器去除漆雾和粉尘,然后通入活性炭吸附床,与蜂窝活性炭充分接触,再进行脱附再生后转换成小风量、高浓度的有机废气。该部分气体进入后端的催化燃烧氧化设备进行氧化反应,使废气中的挥发性有机物在催化氧化室中氧化分解成二氧化碳和水,并放出热量,经过换热器预热进入催化床前的脱附气体后经过烟囱高空排放。同时系统利用部分热气体对活性炭进行再生过程,保证活性炭得到重复使用。
(2)工艺流程说明
本装置工作过程可分为四个阶段:废气收集阶段、初效干式过滤阶段、活性炭吸附阶段和活性炭脱附再生阶段。
废气收集阶段:
在喷漆房内设置专门的废气收集罩和管道系统,将废气集中收集。
初效干式过滤阶段
来自喷漆房的废气首先进入到初效干式过滤器进行预处理,经过初效干式过滤器的三级过滤,拦截住有机废气中的颗粒物,为后续活性炭吸附过程提供了有力条件,并保证活性炭的使用寿命。
活性炭吸附过程:
经过初效干式过滤器后的有机废气进入到活性炭吸附装置。有机废气通过活性炭层时,有机废气中的有机组分被吸引到活性炭的表面并浓集保持其上。有机组分从而与其他组分分开,其他组分(洁净气体)经风机排空。
活性炭脱附过程:
活性炭使用一段时间,吸附了一定量的溶剂后,会降低或失去吸附能力,此时活性炭需要脱附再生,再生后活性炭重新恢复吸附能力,可继续使用。再生时,启动催化燃烧装置预热室电源,将空气预热,预热后的气体送入吸附箱,箱中的活性炭受热后,活性炭吸附的溶剂挥发出来,溶剂经风机送入催化燃烧室燃烧,分解生成CO2和H2O等热空气,热空气一部分回到活性炭吸附箱继续给活性炭加热,另一部分排空,热空气内部循环多次活性炭即可得到再生。
3、本工艺的主要特点
(1)生产环境好,无污染。
(2)工艺设备可靠性强,故障与维修量小,维修费用低,减少维修人员的工作量。
(3)由于自动化程度比较高,操作人员少,劳动强度小。
(4)能够充分回收余热、节能。
(5)系统投资小,运行成本低。
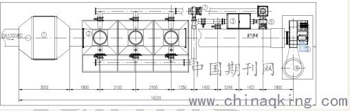
4、有机废气处理工艺总图布置
(1)初效干式过滤器:布置在厂房内。本方案选用1台DN1000初效干式过滤器;
(2)活性炭吸附箱:布置在厂房内。本方案选用3台活性炭吸附箱,运行方式:2开1备;
(3)催化燃烧器:布置在厂房内。本方案选用1台2500Nm3/h催化燃烧器;
(4)烟囱:在室外露天布置。烟囱设计直径DN1000,高度16米;
(5)主排风机:布置在厂房内。配置1台排风机。型号:4-72-9 右45°,流量35700Nm3/h,全压2914Pa,电机:45KW;
(6)脱附风机:布置在厂房内。配置1台脱附风机。型号:6-35-4右0°,流量2314Nm3/h,全压2512Pa,电机:3KW;
(7)补冷风机:布置在厂房内。配置1台补冷风机。型号:4-72-2.8右0°,流量1141Nm3/h,全压963Pa,电机:1.5KW;
(8)有机废气的处理厂房应与其他生产厂房分开布置,其间距应符合现行国家标准《建筑设计防火防范》的有关规定;
(9)有机废气的处理区内的消防车道,应符合现行国家标准《建筑设计防火规范》的有关规定;
(10)有机废气处理工艺总图布置,具体详见图4-1有机废气处理工艺总图。
编号说明:1、初效干式过滤器;2、活性炭吸附箱;3、催化燃烧器;4、烟囱;5、主排风机;6、脱附风机;7、补冷风机
图4-1有机废气处理工艺总图
5 环保及安全
(1)适用范围广。催化燃烧器几乎可以处理所有的烃类有机废气及恶臭气体。对于有机化工、涂料、绝缘材料等行业排放的低浓度、多成分、无回收价值的废气,采用吸附—催化燃烧器法的处理效果更好。
(2)处理效率高,无二次污染。用催化氧化法处理有机废气的净化率一般都在95%以上,最终产物为无害的 CO2 和 H2O,且由于燃烧温度低,能大量减少 NOx 的生成,因此不会造成二次污染。
(3)有机混合废气的处理由自动控制系统控制,操作工艺简单,启动、停炉简单,故障率低,运行周期性长,安全性好。
6 结论
伴随国家对环境保护的要求和力度不断加大,工业有机废气(VOCs)的治理得到了迅速发展。市场上也出现了几种比较成熟的处理工艺。本文所阐述的工艺设计, 即采用干式过滤+活性炭吸附脱附+催化燃烧的方式。该设计工艺主要是针对大风量、低浓度、不需要回收的VOCs治理。该工艺在治理VOCs污染中效果明显,优势显著,对环境保护和保护人体健康都有良好的实用价值。该技术投资省,运行成本低、操作简单、使用寿命长,比较利于在工厂喷漆车间VOCs治理技术领域推广应用。