

发布时间:2022-11-05 08:24:00 点击:
RTO焚烧炉、RTO、RCO专业生成厂家无锡泽川环境2022年11月5日讯 近年来,环境保护越来越受到各行业的重视,工业废气处理亦是如此。在废气治理领域,废气处理的几种主要焚烧工艺为RTO、RCO、CO,即蓄热式氧化焚烧炉、蓄热式催化焚烧炉以及催化焚烧炉,来对废气进行氧化处理。在对废气进行焚烧处理时,例如在医药化工领域,当处理的有机废气浓度过高,而RTO设计处理风量已经确定后,如醇类或酮类等热值较高的有机废气浓度过大时,其释放出来的热量较高,容易造成RTO的超温。
虽然RTO设置有高温泄放口,能够泄放掉一部分的热量,但若超温较高且时间较长时,高温泄放口开启比例较大,会无法保证部分待处理气体在燃烧室的停留时间,从而造成处理后的废气浓度较高,有无法达标排放的风险。为此,我们一般会使用喷淋塔对此类易溶于水的物质进行预喷淋吸收,以降低其浓度,进一步维持RTO炉内的热平衡,以保证尾端废气的达标排放。同时,在吸收塔中,还有一类适用于既有传质又有传热吸收的设备--降膜吸收塔,此类设备适用于化工、石油、医药、食品、油脂、印染、冶金、环保、轻工等行业生产中的伴随放热且具有腐蚀性气体的吸收。如用于合成氯化氢或回收氯化氢气体制盐酸。也可以用于H2、S、SO2、NH3等气体的吸收。
一 、什么是降膜吸收
降膜吸收就是通过吸收液形成流动的液膜对气体进行吸收。而为了提高吸收效率,就需要增加液膜面积。降膜吸收塔增加液膜面积的形式就是在吸收塔内部并排设置了很多细小的管道。
二、降膜吸收设备原理
石墨改性聚丙烯降膜式吸收器是我国近期发展起来的新型吸收器。这种吸收器是属于湿壁式表面吸收装置。
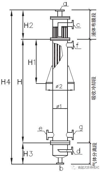
它由液体布膜段、吸收冷却段、气液分离段三部分组成。
本设备工作时吸收剂通过布膜器垂直地沿列管内壁以薄膜状下降,气体自上而下(并流)或自下而上(逆流)通过内管空间,气液两相在流动的液膜上进行传质反应。列管外通冷却水(剂)以除去吸收过程中释放出的热量。
a.气体进口 b.成品出口 c.吸收液进口 d.气体出口 e.冷却水进口 f.冷却水出口 g.清洗排污口
三、降膜吸收设备性能特点
1、体积小、重量轻:方便设备的运输、安装和维修。
2、耐温较高:最高使用温度达125℃,最低使用温度为-10℃。
3、具有无毒性、不结垢的性能,不对介质造成污染。
4、耐腐蚀性优良,列管内壁成膜性能好,冷却效果好,吸收率高,生产能力大等综合性能。
5、使用寿命长,最久已达八年以上。
6、造价为同类产品的50%—70%,大大降低了企业的生产成本。
四、降膜吸收设备性能特点
本设备须与水喷射真空机组配合使用。吸收率方可达到98%左右,若采用三级串联,前二级为降膜吸收器,第三级为填料吸收塔,则可达到100%的完全吸收。当吸收后的物料要求达到较高的浓度时,可采用单循环式吸收(吸收液流量可调节),反复循环。
吸收剂用量:根据所回收气体的浓度而定,以10m2吸收器吸收HCI为例,用量一般为10-20m3/h,为提高吸收效率,应尽量降低吸收剂温度。冷却水(剂)用量可根据操作工艺条件进行热量衡算而定,增加冷却水(剂)用量,降低水温,有利于提高吸收效率。推荐的冷却水温度为<20℃。
五、并流与逆流
吸收剂与被吸收的气体可逆流操作,也可并流操作。
逆流操作时上升的流体将导致液膜厚度增加,液膜流速降低,一般当气体在管内的流速为5-10m/s时出现流泛现象(液体倒流)。
并流操作时气体由上而下流动,将会使液膜厚度减薄,液膜流速增加,在气体流速相同的情况下,并流时的流体阻力比逆流时小得多。并流时气速可高达15-30m/s,但吸收推动力比逆流时小。
六、注意事项
1、由于降膜吸收设备材质多为石墨改性PP材料,较脆,所以在运输途中严禁碰撞、重物挤压等有损于设备的行为,上下货时轻拿轻放;安装时要慢慢紧固螺栓,以免损坏设备。
2、应避免与明火接触。
3、设备安装必须保持垂直,用平衡方式将液体布膜段内的吸收液下流堰口调整到水平状态。确保吸收液在列管内布膜均匀。
4、建议在吸收液进口上方1米左右,安装一只高位槽,促使吸收液处在常压状态下自然流动,便于吸收液均匀分配。
5、开车使用时应先通入冷却水,冷却水灌满后再通入吸收剂及所需吸收的气体。冷却水应下进上出。
6、应尽量降低冷却水的温度,以提高吸收效果。推荐的冷却水温度为<20℃。
七、结语
由此可见,一般在设计RTO时,考虑配套设计合适的喷淋设备尤其重要。同时,对于不同的工况以及客户要求,通过上述内容选择合适的降膜设备尤为重要,而且在选择降膜设备时,我们还需提供一些参数,比如:废气中待回收或待吸收的具体组分、该组分的排放量、以及处理后废气的排放标准来供厂家提供合适的降膜设备以及后续配套处理设备,保证整个系统设计的合理性以及可行性。以上便是在废气治理领域常使用到关于降膜设备的介绍,如有不合理之处,欢迎您的交流与指正。
参考文献:
1、百度百科有关降膜设备的定义。