

发布时间:2018-01-05 22:44:00 点击:
摘要:制药行业废气中成分复杂,含苯、甲苯、乙醇、乙酸乙酯、氯化氢等。其中苯环和卤素,在400℃左右条件下,容易产生二噁英,二噁英这类物质非常稳定,熔点较高,极难溶于水,是无色无味的脂溶性物质,所以非常容易在生物体内积累,对人体危害严重。二噁英、以及酸性气体的腐蚀问题为制药行业区别与其它行业的重点。
1、项目背景
以浙江某制药厂为例:废气最大风量20000Nm3/h,废气浓度约2000mg/m3。主要成分如下:乙酸、甲苯、DMF、氯仿、乙酸乙酯、甲醇、N-甲基哌嗪、四氢呋喃、丙酮、二氯甲烷、苯、乙腈、环己烷、异丙酮、二甲基亚砜、甲基异丁基酮、三乙胺、氯化氢、一氯甲烷、醋酸、氨等成分。
2、工艺选择
废气属于小风量、中浓度废气,大部分为有机废气,含有部分酸性气体,采用较为合理的工艺为:洗涤+RTO焚烧炉+洗涤。对于二噁英在RTO焚烧炉中是无法避免的,但二噁英可以在温度高于850摄氏度且燃烧时间大于1S或者温度高于800摄氏度且燃烧时间大于2S时就可以分解掉,苯环被破坏掉后就不会有二噁英产生,即其反应是不可逆的,所以我们的炉膛设计燃烧温度是850摄氏度且燃烧时间在2S以上。
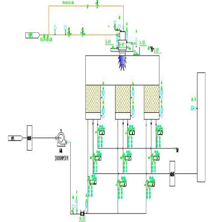
3、工艺流程图
RTO焚烧炉原理:蓄热式热氧化炉,专业处理有机废气,使有机废气在高温环境里分解干净,分解率达到98%以上,最终使废气排放符合国家环保标准。此热氧化炉使用两个固定的热交换媒介床,热交换媒介使用的是蓄热陶瓷,来自生产线的废气经过一个热陶瓷媒介床后被加热;到炉膛后燃烧的高温气体将另一个热交换媒介床加热,如此两个热交换媒介床互相切换,蓄热后去加热低温废气。热交换效率达到95%以上,很容易利用有机废气实现氧化炉的自我维持,而不用任何燃料。为了提高废气处理效率,我们采用了3塔式RTO。
4、设备介绍
4.1蓄热式氧化炉
RTO装置燃烧室中有机物被降解的反应方程式如下:
RTO焚烧炉设备是在吸收德美技术的基础上自主开发的三床式RTO设备,该系统主要由燃烧室、3组结构相同的蓄热床和3个气动切换进气阀,3个气动排气切换阀以及3个气动清吹切换阀组成,9个气动切换阀自动切换,切换周期1~6min,由时间来控制,若出气温度超过设定值,会强制切换。蓄热床内填充规整蜂窝陶瓷蓄热体,其主要材质为致密堇青石,具有优良的耐酸、碱和有机介质腐蚀性、蓄热效果好、热回收效率高、过风阻力小、热胀冷缩系数小,抗裂性能好,寿命长等优点。设备内部内衬300mm以上的耐高温陶瓷纤维保温材料,充分保证设备表面温度低于国家标准,同时可有效防止气体和钢构件接触。气动切换阀均采用知名品牌气动执行器,其中,气动切换阀体采用双相不锈钢材质,切换稳定,使用寿命长,正常工作可切换1000万次。防止与炉体钢板接触部分腐蚀问题,凡与废气接触部分衬防腐涂料,喷涂材料耐高温,可以保证炉体的较长使用寿命,在日常维护过程中,如果有涂层脱落,需要及时的补修,防止大面积氧化。
4.2碱洗净化塔
碱洗净化塔具有阻力小、能耗省、噪音低、处理效率高,能处理氯化氢气体、氟化氢气体、氨气雾、铬酸雾、氰氢酸气体、碱蒸气、硫化氢气体等气体的新型净化塔,它具有净化效率高、占地面积小、耐腐蚀、耐老化性能好,重量轻的特点。它适用于排放一定浓度的腐蚀性酸雾气体,主要用于化工、电子、医院、研究中心等场所。
工作原理:需处理的废气,由玻璃钢离心风机压入净化塔之进气段后,垂直向上与喷淋段自上而下的液体发生吸收反应,使废气浓度降低,然后继续向上进入填料段,废气在塑料球打滚再与吸收液起中和反应,使废气浓度进一步降低后进入脱水器,净化后的气体排出大气。经测定分析,硫酸雾净化效率可达93%,硝酸净化效率可达90%,盐酸雾净化效率可达98%、对酸雾净化性达到国内先进水平。碱洗净化塔为圆筒型结构形式,全塔由三部份组成,即贮液、进气、喷淋、脱水和出气,出口管连接,塑料球分别装在喷淋内。碱洗净化塔为玻璃钢一体成型,结构紧凑、耐腐蚀,耐高温、外表光滑;除水部份离式产生水气分离;喷水部:高压喷水产生雾状,分上下两段扩大接触处理提高功能;填充物:梅花环或鲍尔环,PP质一体成型需有防溢水排放管;观察窗:5mm厚透明压克力板制;
5、RTO安全方面设计
A.管道内起火对车间的影响:管道内的爆炸,大部分都来源于管道内有大量有机积液突然挥发,再遇上静电而产生的。输送腐蚀性气体的管道比较难做防静电设施,只能降低风速,设计在8米/秒以下的风速比较适合。
B.RTO焚烧炉失火对车间的影响:RTO炉膛内的明火很难进入车间过来的管道,因为有2米高左右的蓄热陶瓷,蓄热体本身就是很好的阻火器。在管道前端可以安装阻火器,进一步保障生产车间内的安全。
C.RTO区域内的爆炸:RTO在点火前要进行吹扫,吹扫的目的是将残留在RTO管道和炉膛内的有机物清理干净,避免点火时引爆。RTO入口处有浓度检测仪,响应时间在5秒左右,所以浓度检测仪的安装位置比较重要,且要做缓冲罐,当检测到废气浓度高报警,新风风门会自动打开进行浓度稀释;若废气浓度高会报警,则RTO切断与生产线间的联机,废气直接旁通到烟囱。现实生产中做多少措施也无法100%避免爆炸,所以在适当的位置加泄爆装置,比如RTO炉膛顶部有泄爆门,此泄爆门可以靠自重关闭,泄爆后不会影响RTO的正常运行;缓冲罐上有泄爆片。有这些泄爆措施,即使发生爆炸,也会把爆炸的损失降到最低。
D.应急停电系统设计:RTO焚烧炉非常害怕突然停电,炉膛内的高温无法快速散去,导致很多防腐材料或者其他设备被高温损坏。我们设计了一台应急压缩空气储气罐、UPS和手自动控制的泄爆门,一旦突然停电,UPS和应急压缩空气储气罐会将所有风门打到安全位置,比如新风风门开启,吹扫风门开启,泄爆门打开等等;应急压缩空气会进入燃烧器管道,避免高温烟气从燃烧器泄露出来,导致点火管路的危险和损坏燃烧器。但压缩空气罐仅能支撑15到20分钟左右,甲方需要配置备用电源给压缩空气或助燃风机。
E.针对RTO焚烧炉出口有洗涤塔的系统高温保护:RTO出口接洗涤塔,若洗涤塔是玻璃钢材质,则RTO出口温度需要控制在100摄氏度以下,若超过100摄氏度,RTO自动切断与生产线之间的联机,工艺废气直接进入烟囱。
G.炉膛温度过高保护:炉膛内有2支热电偶,每支热电偶都是双支的,如果一支出现问题,还有一支备用,保证炉膛内温度控制均匀。炉膛温度不能超过980摄氏度,否则内部的蓄热陶瓷和陶瓷纤维组块的使用寿命会受影响,当炉膛温度超过一定值时,燃油管路的双电磁阀会自动关闭,避免柴油泄漏进入炉膛。炉膛温度再高就要打开新风风门去降温,当炉膛温度发生高高报警,RTO自动切断与生产线的联机,工艺废气直接进入烟囱。
6、RTO
运行过程首次开机时,需要对蓄热体预热,待预热至设定温度后,含挥发性有机化合物(VOCs)的废气通过阀门的切换,进入蓄热床,废气被蓄热陶瓷逐渐加热后进入燃烧室(燃烧室有两个作用:一是保证废气能达到设定的氧化温度,二是保证废气有足够的停留时间,从而使其中的VOCs充分氧化),VOCs在燃烧室内高温氧化分解并放出热量,形成的热风在通过另一蓄热床时,与蓄热体进行热交换,蓄积热量,以减少辅助燃料的消耗,而被氧化的干净气体温度逐渐降低。正常运行过程中,RTO焚烧炉内部温度控制通过燃烧器来实现。当有机废气浓度达到自持燃烧状态时,产生热量足以满足下一次冷气预热要求时,此时系统无需开启辅助加热装置进行辅助加热,即可完成有机废气氧化,达到节能效果。当RTO温度出现异常时(即前端浓度太高),通过PLC程序自动控制关闭进气阀,全开异常外排和新风阀,使RTO设备完全通过新鲜风降温。RTO炉膛温度通过2根高温热电偶进行实时监控,运行过程PLC程序通过自动调节燃气调节比和相关阀门控制炉膛温度的稳定。当炉膛温度出现异常升温时,可通过RTO设备的泄温口进行紧急排温。
7、RTO成本运行分析
该设施在运行过程中主要的费用为电耗和天然气,以及部分维护费用,如预滤材料的更换。运行费用估算见下表1:
(1)主风机、助燃风机、泵按16h/d,250d/a;电费0.75元/kwh,电机实际功率为额定功率的0.8,变频风机节能按0.70计。
(2)RTO焚烧炉设备首次开机预热以及引入废气后维持炉温所产生费用,每次预热时间按3小时计,每年预加热按12次计算;每天考虑到生产运行过程中由于浓度过低需要补充加热,每天按补充天然气量为20立方米,每次升温用天然气按50立方计算。天然气按2.5元每立方。
废气浓度达到2800mg/m3时,系统可以维持自运行,不需要补充天然气加热。